欢迎访问光学平台厂家,SIGMA西格玛光机等国内外知名光电品牌代理商-点点app下载官网!

全国咨询热线

020-38880135/38880857

产品中心

新闻资讯

联系我们

联系人: 周先生

手机: 13288666664

电话: 020-38880135 020-38880857

邮箱: sales01#gzyuli.com

地址: 广州市天河区儒林大街后园路35号E座107房

西格玛光机自动快门

品牌:西格玛光机

产地:日本

产品简介:可遥控激光束通过或截止,或控制照射时间间隔的机械式电磁快门。它需要和专用的控制器配套使用。

在线留言

产品介绍:

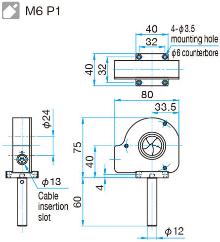
◦SSH-S用于小径激光束(φ4mm以下),SSH-25RA可用于大口径的成像透镜系统(φ24mm以下)。
◦SSH-25RA-W的叶片不容易因激光照射而变形。
◦常用于控制全息技术实验或感光材料的曝光,或用作激光光路的安全装置。
◦卸掉立柱,可用M3螺栓直接固定到底座上。
◦通过2轴快门控制器(SSH-C2B),可以实现计算机控制。

SSH_p.jpg

信息

▶承接定制更改立柱长度。(如订货时指定了立柱长度的话,我们负责更换长度后出货。)立柱长度相差大,也许会收取一定的差额费用,详情请咨询。

注意

▶自动快门SSH不适用于高功率激光或高能脉冲激光。使用高功率激光时,请选用SHPS快门。
▶请一定使用专用的控制器控制自动快门。否则,无法保证快门正常工作。
▶老型号的快门控制器(SSH -C4B,SSH -C1R)不能驱动SSH -25RA。但SSH-S可用SSH-C4B驱动。
▶快门或控制器都不附带电缆。请注意同时选购电缆。

通用指标
主要材料铝合金
表面处理黑色氧化(SSH-25RA-W快门叶片的表面处理:无)


外形图
■SSH-S

Zoom
■SSH-25RA

Zoom
快门・自动光阑系统图

Zoom


相关标签:

相关产品

Copyright © 2012-2025 版权所有:点点app下载官网【西格玛光机一级代理商|光学平台厂家】 www.vmqvd.com 粤ICP备12017400号  TP by Oulucn.com

在线客服
联系方式

热线电话

13288666664

上班时间

周一到周五

公司电话

020-38880135 020-38880857

二维码
线
Baidu
taptap点点