产品中心
新闻资讯
- 诚挚邀请您出席《粤港澳物理学会2025联合年会暨量子科技论坛》
- 诚挚邀请您出席《全国光学与光学工程 2025博土笔学术联赛》
- 诚挚邀请您出席《2024年广东省物理学会学术年会暨中山大学物理学科百年论坛》
- 诚挚邀请您出席《2023粤港澳大湾区智能微纳光电技术学术会议》
联系我们
联系人: 周先生
手机: 13288666664
电话: 020-38880135 020-38880857
邮箱: sales01#gzyuli.com
地址: 广州市天河区儒林大街后园路35号E座107房
滤光片镜架/适配器
品牌:西格玛光机
产地:日本
产品简介:
滤光片镜架/适配器常用于固定光学实验中需要频繁更换的ND滤光片或彩色滤光片。可简便地更换为不同厚度的滤光片,可以固定圆形和方形的滤光片。
滤光片镜架/适配器
产品简介:
滤光片镜架/适配器常用于固定光学实验中需要频繁更换的ND滤光片或彩色滤光片。可简便地更换为不同厚度的滤光片,可以固定圆形和方形的滤光片。
注意:
☆使用FH-25和FH-50型滤光片镜架固定较薄的滤光片时,滤光片会动,会造成光轴的微小偏移。在精密的光学实验中,推荐选用适配器(FAD)固定滤光片。
★FH-25和FH-50型滤光片镜架的立柱为特殊规格,不能与其他标准型立柱(RO-**-**)互换。希望更改立柱长度时,请咨询。
☆如需增加FH-25和FH-50型滤光片镜架的滤光片的安装数量,可定制改造。请咨询。
☆客户可指定立柱的长度。此为特殊规格的立柱,所以此种更改是需要收费的。
★提供各种带镜框(FAD)的中性滤光片的标准产品(MAN,MFND)。
通用指标:
主要材料 | 铝合金 |
表面处理 | 黑色氧化 |
技术比较:
型号 | 适用元器件尺寸 | 适用元器件厚度 | 安装数量 | 自重 |
FH-10 | φ10~φ20mm | ~3mm | 2片 | 0.02kg |
FH-25 | φ25、□25mm | ~3mm | 4片 | 0.1kg |
FH-50 | φ50~φ52、□50mm | ~5mm | 5片 | 0.11kg |
FHS-25 | φ25、□25mm | ~5mm | 1片 | 0.06kg |
FHS-50 | φ50、□50mm | ~5mm | 1片 | 0.08kg |
FH-10-N | φ10~φ20mm | ~3mm | 2片 | 0.02kg |
FHS-20-N | φ20、□20mm | ~5mm | 1片 | 0.005kg |
FHS-25-N | φ25、□25mm | ~5mm | 1片 | 0.06kg |
FHS-50-N | φ50、□50mm | ~5mm | 1片 | 0.08kg |
FHS-25-EE | φ25、□25mm | ~5mm | 1片 | 0.06kg |
FHS-50-EE | φ50、□50mm | ~5mm | 1片 | 0.08kg |
FHS-25-UU | φ25、□25mm | ~5mm | 1片 | 0.06kg |
FHS-50-UU | φ50、□50mm | ~5mm | 1片 | 0.08kg |
FAD-20 | φ20mm | ~3mm | 1片 | 0.01kg |
FAD-50 | φ50mm | ~3mm | 1片 | 0.01kg |
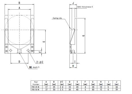
技术数据:
FH-10


FH-25


FH-50


FHS-25


FHS-25-N/50-N


其他信息:
☆滤光片镜架/适配器是日本西格玛光机的产品。
★小型滤光片镜架(FH-10)是将滤光片夹持在本体和把手之间。固定滤光片镜架后,拉开把手,本体和把手之间会产生缝隙,然后把滤光片放入缝隙后再松开把手,滤光片就被内部的弹簧机构夹持住了。
☆在FH-25和FH-50型滤光片镜架上安装较薄的滤光片时会有间隙,滤光片不能很好地被固定。此时,推荐使用滤光片适配器(FAD),就可几乎无间隙地将滤光片可靠地固定到滤光片镜架(FH-25,FH-50)上。
★滤光片镜架可固定圆形和方形的滤光片。
☆FH-25和FH-50型滤光片镜架可同时插入多枚滤光片,方便仔细调节亮度或透射波长。
客服1