欢迎访问光学平台厂家,SIGMA西格玛光机等国内外知名光电品牌代理商-点点app下载官网!

全国咨询热线

020-38880135/38880857

产品中心

新闻资讯

联系我们

联系人: 周先生

手机: 13288666664

电话: 020-38880135 020-38880857

邮箱: sales01#gzyuli.com

地址: 广州市天河区儒林大街后园路35号E座107房

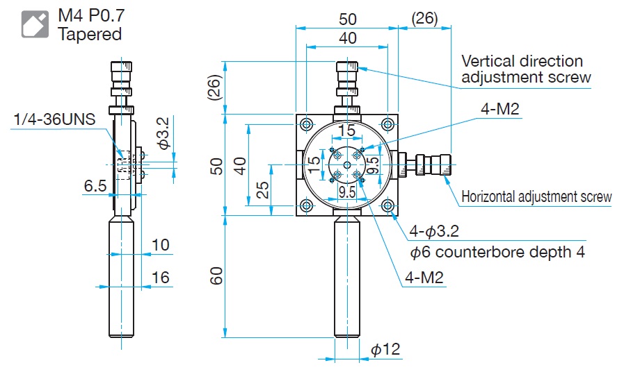
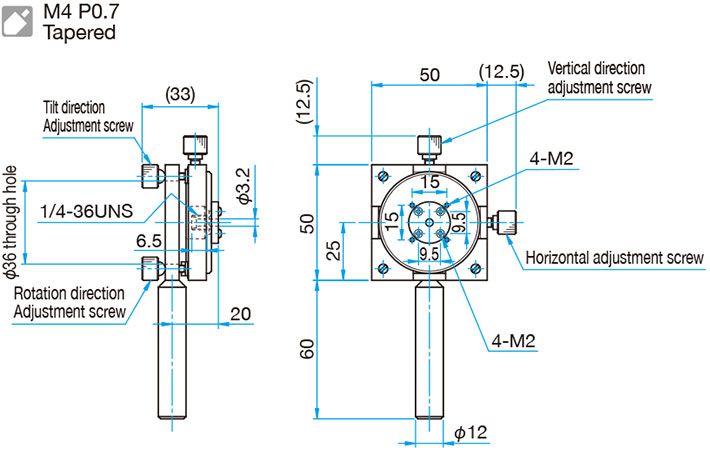
SMA型光纤支架

品牌:西格玛光机

产地:日本

产品简介:用于SMA插头的十字可调支架。

常用于准直光纤光束或小型分光器等的导入光纤(MMF)。


在线留言

用于SMA插头的十字可调支架。

常用于准直光纤光束或小型分光器等的导入光纤(MMF)。

◦有两类产品,一类是采用普通螺纹的可调FOP-SMA型,另一类是可粗微调的FOP-DM-SMA型。

FOP-1-SMA只能十字方向调整,FOP-2-SMA还可调角度,可精密调整准直后光束的光强分布。

◦卸下SMA型光光纤支架上的SMA用插座,可更换为裸光纤用光纤适配部件(MFH-ADP-3)。

信息

▶备有FC插头用(FOP),裸光纤用(MFH)的十字可调支架。

▶承接定制更改立柱长度。如订货时指定了立柱长度的话,我们负责更换长度后出货。此为特殊形状立柱,更换时需要收取相应的费用。

注意

▶每次插入光纤后,其位置可能会变动。插入光纤后,一般都需要再次调整。

SMA插头上的螺母较薄,用手指拧不容易保证拧紧。推荐使用尖嘴钳紧固或拆卸。

通用指标:

主要材料                        

               铝合金

表面处理                

              黑色氧化                      


技术比较:

型号

调整范围上下左右

角度范围俯仰·方位

分辨率上下左右

 微调分辨率上下左右

 微调刻度上下左右

 分辨率俯仰·方位

 自重

FOP-1-SMA

±1mm

0.5mm/周

0.14kg

FOP-2-SMA

±1mm

±2°

0.5mm/周

约0.7°/周

0.22kg

FOP-1DM-SMA

±1mm

0.5mm/周

0.05mm/周

0.0025mm/DIV

0.15kg

FOP-2DM-SMA

±1mm

±2°

0.5mm/周

0.05mm/周

0.0025mm/DIV

约0.7°/周

0.24kg




相关标签:

相关产品

Copyright © 2012-2025 版权所有:点点app下载官网【西格玛光机一级代理商|光学平台厂家】 www.vmqvd.com 粤ICP备12017400号  TP by Oulucn.com

在线客服
联系方式

热线电话

13288666664

上班时间

周一到周五

公司电话

020-38880135 020-38880857

二维码
线
Baidu
taptap点点