欢迎访问光学平台厂家,SIGMA西格玛光机等国内外知名光电品牌代理商-点点app下载官网!

全国咨询热线

020-38880135/38880857

产品中心

新闻资讯

联系我们

联系人: 周先生

手机: 13288666664

电话: 020-38880135 020-38880857

邮箱: sales01#gzyuli.com

地址: 广州市天河区儒林大街后园路35号E座107房

XYZ轴TSD平台(垂直) 40mm

品牌:西格玛光机

产地:日本

产品简介: 组合了TSD型XY轴平台和Z轴垂直安装型的平台

在线留言

组合了TSD型XY轴平台和Z轴垂直安装型的平台

信息

▶可提供真空用不锈钢平台(TSDS-405L)(W7080

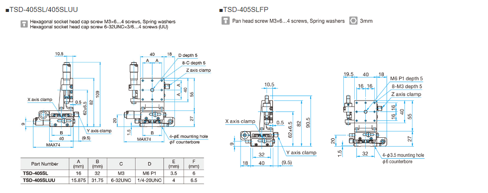
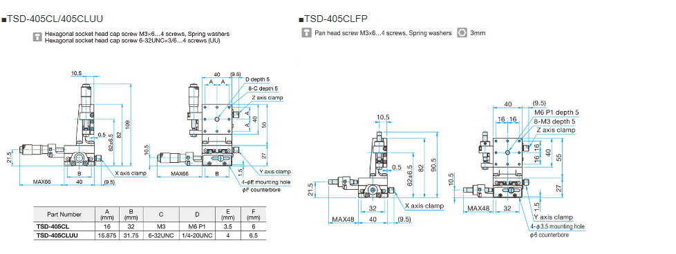
▶型号末尾为FP的产品,采用的是精密调整螺杆,请注意不是一般的微分头。精密调整螺杆的螺距为0.25mm,在操作时请使用六角扳手或另售的六角手轮扳手(KCL)W8008-3

TSD-255L_p.jpg

通用指标

2-5.png

技术指标:

型号

微分头的安装位置

行程/周

微分头最小读数

承载能力

自重

TSD-405CL

中心

0.5mm

0.01mm

49N(5.0kgf)

0.6kg

TSD-405SL

侧面

0.5mm

0.01mm

49N(5.0kgf)

0.6kg

TSD-405SRL

侧面

0.5mm

0.01mm

49N(5.0kgf)

0.6kg

TSD-405CLUU

中心

0.5mm

0.01mm

49N(5.0kgf)

0.6kg

TSD-405SLUU

侧面

0.5mm

0.01mm

49N(5.0kgf)

0.6kg

TSD-405SRLUU

侧面

0.25mm

49N(5.0kgf)

0.6kg

TSD-405CLFP

中心

0.25mm

49N(5.0kgf)

0.6kg

TSD-405SLFP

侧面

0.25mm

49N(5.0kgf)

0.6kg

TSD-405SRLFP

侧面

0.25mm

49N(5.0kgf)

0.6kg

TSD-405CLFPUU

中心

0.25mm

49N(5.0kgf)

0.6kg

TSD-405SLFPUU

侧面

0.25mm

49N(5.0kgf)

0.6kg

TSD-405SRLFPUU

侧面

0.25mm

49N(5.0kgf)

0.6kg


外观形:


2-3.png


相关标签:

相关产品

Copyright © 2012-2025 版权所有:点点app下载官网【西格玛光机一级代理商|光学平台厂家】 www.vmqvd.com 粤ICP备12017400号  TP by Oulucn.com

在线客服
联系方式

热线电话

13288666664

上班时间

周一到周五

公司电话

020-38880135 020-38880857

二维码
线
Baidu
taptap点点