产品中心
新闻资讯
- 诚挚邀请您出席《粤港澳物理学会2025联合年会暨量子科技论坛》
- 诚挚邀请您出席《全国光学与光学工程 2025博土笔学术联赛》
- 诚挚邀请您出席《2024年广东省物理学会学术年会暨中山大学物理学科百年论坛》
- 诚挚邀请您出席《2023粤港澳大湾区智能微纳光电技术学术会议》
联系我们
联系人: 周先生
手机: 13288666664
电话: 020-38880135 020-38880857
邮箱: sales01#gzyuli.com
地址: 广州市天河区儒林大街后园路35号E座107房
精密自动转动平台-5相步进电机
品牌:西格玛光机
产地:日本
产品简介:
精密自动转动平台-5相步进电机
精密自动转动平台-5相步进电机采用了滚动轴承为导轨的高精度,高稳定性的自动转动平台。和3轴平台控制器HSC-103配合使用、和以前的控制器相比,能实现更低的噪声和振动,适用于需要高承载能力的场合,而且用途广泛,适用于各种检测设备。
通用指标:
推荐选用的驱动器/控制器型号
电机/传感器技术指标
电机 类型 | 5相步进电机 1.4A/相(ORIENTAL MOTOR(株)) |
电机 型号 | PKP544N18B(□42mm) |
电机 步距角 | 0.72° |
传感器 电源电压 | DC5~24V±10% |
传感器 消耗电流 | 15mA以下 |
传感器 输出端电气特性 | NPN集电极开路输出 DC30V以下50mA以下 |
传感器 信号的含义 | 遮光时:输出晶体管OFF(截止) |
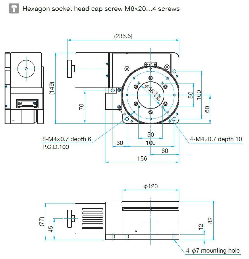
产品外形图:
HST-120YAW/HST-120YAW-0B

HST-160YAW/HST-160YAW-0B

接线图:
HST-120YAW/HST-160YAW

HST-120YAW-0B/HST-160YAW-0B

重要信息:
我们将自动转动平台的CW方向的极限位置传感器兼为原点传感器使用了,以此位置为参考进行原点复位。
我们规定,以半步细分驱动,并采用MINI方式进行原点复位操作时的停止位置为刻度0度位置,而且,上下倒置或垂直面安装使用时需要注意,安装方向不同时,其精度或承载能力等指标会不同的。
我司是西格玛光机的中国区域一级代理商,有需要的可以联系我们。
- 上一个:薄型大行程平台
- 下一个:自动转动平台-5相步进电机
客服1