产品中心
新闻资讯
- 诚挚邀请您出席《粤港澳物理学会2025联合年会暨量子科技论坛》
- 诚挚邀请您出席《全国光学与光学工程 2025博土笔学术联赛》
- 诚挚邀请您出席《2024年广东省物理学会学术年会暨中山大学物理学科百年论坛》
- 诚挚邀请您出席《2023粤港澳大湾区智能微纳光电技术学术会议》
联系我们
联系人: 周先生
手机: 13288666664
电话: 020-38880135 020-38880857
邮箱: sales01#gzyuli.com
地址: 广州市天河区儒林大街后园路35号E座107房
精密自动平台XY轴-5相步进电机(CE)
品牌:西格玛光机
产地:日本
产品简介:
精密自动平台XY轴-5相步进电机(CE)
精密自动平台XY轴-5相步进电机(CE)使用了精密滚柱丝杠和精密十字交叉滚柱导轨的高精度XY轴平台。和3轴平台控制器HSC-103配合使用、和以前的控制器相比,能实现更低的噪声和振动。
通用指标:
■电机/传感器技术指标
电机 类型 | 5相步进电机 1.4A/相(ORIENTAL MOTOR(株)) |
电机 型号 | PKP544N18B(□42mm) |
电机 步距角 | 0.72° |
传感器 电源电压 | DC5~24V±10% |
传感器 消耗电流 | 80mA以下(单个传感器20mA以下) |
传感器 输出端电气特性 | NPN集电极开路输出 DC30V以下50mA以下 |
传感器 信号的含义 | 遮光时:输出晶体管OFF(截止):极限位置传感器 |
■推荐选用的驱动器/控制器型号

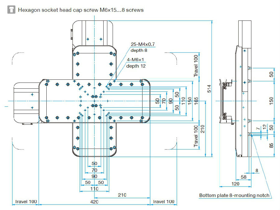
产品外形图:



产品接线图:

其他信息:
精密自动平台XY轴-5相步进电机(CE)主要的材料为钢材,刚性好,承载能力大,有需要的客户,请与我们联系。
- 上一个:一体型导轨自动摆动平台-5相步进电机
- 下一个:精密自动平台X轴-5相步进电机
客服1