产品中心
新闻资讯
- 诚挚邀请您出席《粤港澳物理学会2025联合年会暨量子科技论坛》
- 诚挚邀请您出席《全国光学与光学工程 2025博土笔学术联赛》
- 诚挚邀请您出席《2024年广东省物理学会学术年会暨中山大学物理学科百年论坛》
- 诚挚邀请您出席《2023粤港澳大湾区智能微纳光电技术学术会议》
联系我们
联系人: 周先生
手机: 13288666664
电话: 020-38880135 020-38880857
邮箱: sales01#gzyuli.com
地址: 广州市天河区儒林大街后园路35号E座107房
西格玛光机亚微米反馈平台
品牌:西格玛光机
产地:日本
产品简介:FS-X是具有亚微米分辨率定位的反馈级。
内部光学线性编码器内置在平台中心,以检测位置。
利用编码器的位置信息进行反馈控制,实现定位到目标位置、定位重复性和高分辨率的定位。
阶段有七种类型。 它是理想的收集数据在广泛的范围内,或执行精确的定位和移动样品在一个单一的阶段由大的行程范围。
适用的控制器和电缆 | |
控制器 | fc-411 |
电缆 | 下午-ca |
规格 | ||||||
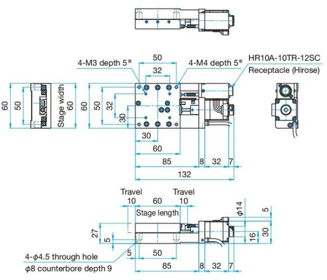
零件编号 | fs-1020x | fs-1050x | fs-1100x | fs-3150x | ||
JP价格[¥] | 320,000 | 400,000 | 485,000 | 680,000 | ||
机械规格 | 行程[mm] | 20 | 50 | 100 | 150 | |
台面尺寸[mm] | 60×60 | 120×120 | 120×120 | 120×170 | ||
进丝扛[mm] | 滚珠丝杠直径φ4 导程 1毫米 | 滚珠丝杠直径φ6 导程 1毫米 | 滚珠丝杠直径φ6 导程 1毫米 | 滚珠丝杠直径φ8 导程 1毫米 | ||
导轨形式 | 十字滚轮 | 十字滚轮 | 移动导轨 | 移动导轨 | ||
主要材料 | 铝合金 | |||||
表面处理 | 黑色阳极氧化 | |||||
电机类型 | □28mm5相步进电机 | |||||
重量[公斤] | 0.5 | 1.6 | 2.1 | 2.8 | ||
精确规格 | 最小分辨率[nm]1 | fc-411 | 50 | 50 | 50 | 50 |
fc-414 | - | - | - | - | ||
重复定位精度 [nm]1 | fc-411 | +/- 100 | +/- 100 | +/- 100 | +/- 100 | |
fc-414 | - | - | - | - | ||
承重[N] | 49(5kgf) | 98(10kgf) | 98(10kgf) | 98(10kgf) | ||
运动平行度[μm] | 10 | 10 | 10 | 10※2 | ||
最大速度[毫米/秒] | 10 | 10 | 10 | 10 | ||
传感器 | 极限位置传感器 | 有 | 有 | 有 | 有 | |
减速传感器 | 无 | 无 | 无 | 无 | ||
原点传感器 | 无 | 无 | 无 | 无 | ||
接近原点传感器 | 无 | 无 | 无 | 无 | ||
装备秤 | 信号循环 | 4μm | 4μm | 4μm | 4μm | |
刻度电缆(3) | 2米 | 2米 | 2米 | 2米 | ||
1:内置刻度读取的最小分辨率和重复定位精度。
2:每100毫米旅行运行并行性。
刻度电缆直接从平台上出来。 如果2米或更长的电缆,请分别准备“扩展电缆
都是必需的。
fs-


fs-1100x

fs-3150x

f

fs-


适用的控制器和电缆 | |
控制器 | fc-414 |
电缆 | pm4n-ca-*SD |
规格 | |||||
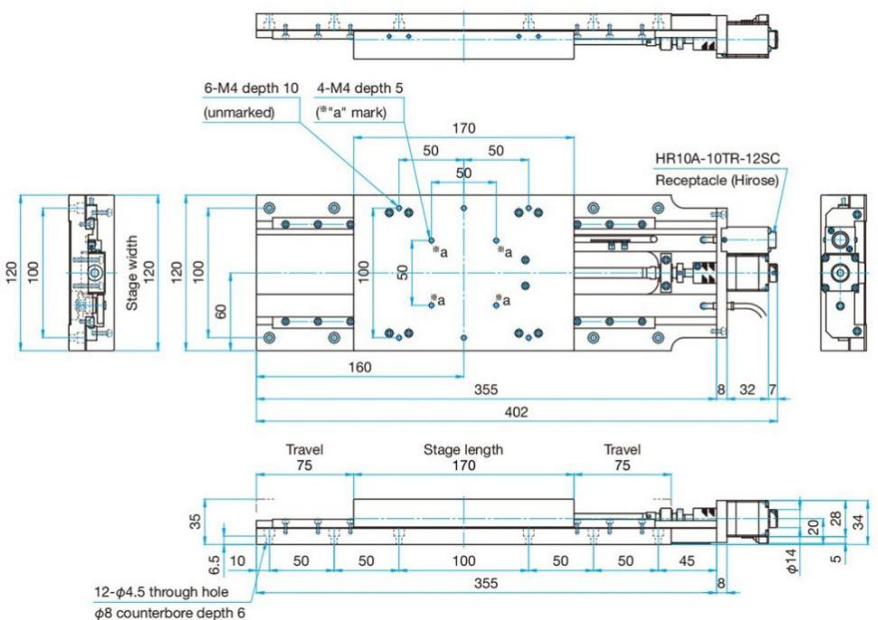
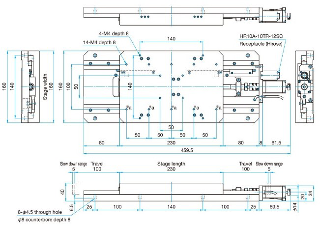
零件编号 | fs-3200x | fs-3300x | fs-3400x | ||
JP价格[¥] | 700,000 | 750,000 | 850,000 | ||
机械规格 | 行程[mm] | 200 | 300 | 400 | |
平台尺寸[mm] | 160×230 | 160×160 | 160×160 | ||
丝杠[mm] | 滚珠丝杠直径φ10 导程 2毫米 | 滚珠丝杠直径φ14 导程 5毫米 | 滚珠丝杠直径φ14 导程 5毫米 | ||
导轨形式 | 移动导轨 | 移动导轨 | 移动导轨 | ||
主要材料 | 铝合金 | ||||
表面处理 | 黑色阳极氧化 | ||||
电机类型 | □28mm5相 步进电机 | □42毫米 五相步进电机 | |||
重量[公斤] | 5 | 8.5 | 9.5 | ||
精确规格 |
相关产品相关搜索 / searchCopyright © 2012-2025 版权所有:点点app下载官网【西格玛光机一级代理商|光学平台厂家】 www.vmqvd.com 粤ICP备12017400号 TP by Oulucn.com | ||||
客服1